Fan

The phyBOARD-Rigel AM67x includes a 4-pin connector at X31 for fan connectivity, designed for mounting the fan directly onto the processor heat sink for thermal management. The fan’s 5V power output can be controlled through a general-purpose control signal. When the control signal is set to a low state (0), the fan is powered on. Conversely, setting the control signal to a high state (1) turns off the 5V supply to the fan connector. This guide will demonstrate how to test your connections to the 4-pin connector at X31. For additional information on phyCORE-AM67x thermal management and fan operation, please refer to the Fan section in the Hardware Manual.

phyCORE-AM67x 1624.1 Fan

Requirements

The phyBOARD-Rigel AM67x does not include a heat sink and fan. The below are the two fans that were tested on the PHYTEC hardware:

Item

Description

Link

Heat Sink

(29mmx29mmx9.5mm)

Digikey link (heat sink)

Fan

DC axial fan, 30mm square x 10mm

Digikey link (fan)

Female Connector

4x pin keyed header

Digikey link

Crimping Terminals

4x crimping jackets

Mouser link

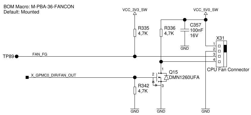
phyCORE-AM67x Fan Schematic

Hardware Setup

Connect fan to the 4-pin connector at X31.

../_images/pb-08036_fan.webp

Enabling the Overlay

  • Power on the development kit and stop in U-boot.

  • Load the device tree overlay required for exporting the GPIO signal that controls the fan and then boot the board.

    sh-uboot:~# setenv overlays k3-am6754-phyboard-rigel-gpio-fan.dtbo
    sh-uboot:~# boot
    

Note

For more information about overlays see chapter Configuring the Bootloader.

  • Verify that the “gpio-fan” was exported properly.

    sh-phyboard-rigel-am67xx-1:~# gpioinfo  | grep gpio-fan
    line  40:       unnamed                 output active-low consumer=gpio-fan
    

Toggling the Fan

  • Turn the fan ON.

    sh-phyboard-rigel-am67xx-1:~# echo 1 > /sys/class/thermal/cooling_device0/cur_state
    

Note

The fan may not stay on due to a conflicting service. You may need to toggle it manually like this multiple times.

  • Turn the fan OFF.

    sh-phyboard-rigel-am67xx-1:~# echo 0 > /sys/class/thermal/cooling_device0/cur_state
    

Enabling a proper Thermal Governor

If your application includes a GPIO-based fan, PHYTEC recommends enabling the bang-bang thermal governor as the default setting. This governor uses hysteresis to manage fan state transitions, preventing abrupt on/off cycling and enabling smoother control for fans that only support binary on/off operation, rather than variable speed throttling.

To check if you have the bang-bang thermal governer enabled, use the following command:
sh-phyboard-rigel-am67xx-1:~# zcat /proc/config.gz | grep CONFIG_THERMAL_DEFAULT_GOV_BANG_BANG

Update the current thermal governor strategy to bang-bang using the command below:

sh-phyboard-rigel-am67xx-1:~# echo bang_bang > /sys/class/thermal/thermal_zone0/policy

Note

To enable the bang-bang thermal governor by default, recompile the kernel with CONFIG_THERMAL_DEFAULT_GOV_BANG_BANG=y in the menuconfig configuration. For further details, please refer to the guide: Modify The BSP.

Note

For more information about thermal management, please see Thermal Zone.